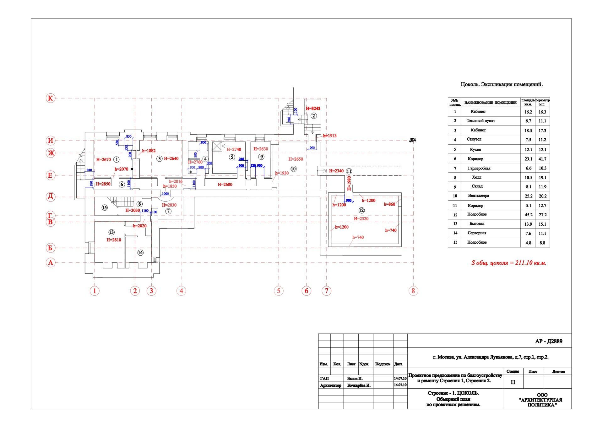
Аренда здания у метро Курская, 832 м2
Аренда в месяц:
3 350 000 ₽
Цена м²/год:
48 312 ₽
г Москва, Большой Казённый пер, д 8 стр 1
Предлагаем в аренду здание общей площадью 1265 кв. м.
Преимущества объекта:
- Здание класса Б
- Помещение предлагается с высококачественным ремонтом: имеется ВИП-зона для руководителя
- Планировка смешанная
- Подземная и наземная парковка
